Verkauf : +44 191 418 1198         Email :

Menu

www.canford.de

23 April 2026
  • LIEFERUNG AM NÄCHSTEN TAG
    MÖGLICH
  • ENGAGIERTE DEUTSCHSPRACHIGE
    KUNDENBETREUUNG
  • EINZIGARTIGE MÖGLICHKEITEN
    DURCH EIGENE FERTIGUNG
  • KOSTENFREIE TECHNISCHE BERATUNG
    VON UNSEREM EXPERTENTEAM

TOA PC-2852 LOUDSPEAKER Circular, ceiling, 1.5-15W taps, splashproof, off-white

Artikelnummer
76-6137
Hersteller
TOA
Typennummer
  • PC-2852
Farbe
  • Off-WhiteOff-White
TOA PC-2852 LOUDSPEAKER Circular, ceiling, 1.5-15W taps, splashproof, off-white
TOA PC-2852 LOUDSPEAKER Circular, ceiling, 1.5-15W taps, splashproof, off-whiteTOA PC-2852 LOUDSPEAKER Circular, ceiling, 1.5-15W taps, splashproof, off-white

TOA CEILING LOUDSPEAKERS

Cost-effective, general purpose PA speakers, TOA's PC range of ceiling speakers are flush-mounting.

They are installed using either spring clamps or with stainless steel screws in the case of the PC-3CL and PC-5CL.


PC-1860BS

TOA PC1860BS is fitted with a 120mm cone driver and matching transformer. Designed for use in educational facilities, hospitals, hotels, and retail, this ceiling mount speaker includes steel manufactured fire dome, and British Standard BS 5839-8: 2008 and EN54-24 certification. The outer bezel is coloured white and measures only 5mm, and the matching white grille is manufactured from steel.

Input power: 6/3W, 3/1.5W, 1.5/0.8W, 0.8/0.4W, 100/70V line. Response: 170 - 20,000Hz. Output: 95dB SPL. Finish: RAL9010. Mounting: 156mm diameter, ceiling thickness 5-25mm. Dimensions: 180mm diameter, 105mm depth. Weight: 1.1kg


PC-1869S

Discontinued

Fitted with a 120mm cone driver and matching transformer. The various power ratings are selected by changes to transformer taps. Ease of installation is a priority; the speaker is installed easily, using a sprung catch to retain the speaker in a bracket fixed first in the ceiling. Each terminal has two wire apertures for convenient parallel connection of the next unit; these are 'push-in' types, rather than screw-terminal blocks, for ease of use up a ladder! The units have a cloth cover over the rear.

Input power: 6/3W, 3/1.5W, 1.5/0.8W, 0.8/0.4W, 100/70V line. Response: 55 - 18,000Hz. Output: 90dB SPL. Finish: RAL9010. Mounting: 150mm diameter, ceiling thickness 50mm maximum. Dimensions: 180mm diameter, 4.2/110mm below/above mounting surface.


PC 1867FC

Discontinued

This version has a steel fire-dome and complies with British Standard BS 5839-8: 1998 [10.3 Protection of Loudspeakers]. The dome is mounted through the ceiling and held in place with an expanding bracket. The speaker then clips into the dome. Maximum ceiling thickness is 30mm. The terminal block is ceramic with screw, rather than push-type terminals and has only one aperture per terminal. Connections are provided for earth, common and 6/3W tapping. The other power taps require changes to transformer connections.

Input power (1): 6/3W, 3/1.5W, [1.5/0.8W], [0.8/0.4W], 100/70V line. Frequency response: 100 - 16,000Hz. Output: 90dB SPL, 1W, 1metre, 330 - 3,300Hz, pink noise. Finish: RAL9010. Mounting: 150mm diameter, ceiling thickness 30mm maximum. Dimensions: 180mm diameter. 11/110mm below/above mounting surface. Weight: 650g (bracket and dome excluded). Note: (1) Powers in [ ] require changes to transformer taps


PC-3WR

The PC-3WR flush-mounted ceiling loudspeaker is a completely sealed, splash proof unit, has an IP64 weatherproof construction certification and an operating temperature of -10 degrees Celsius to +50 degrees Celsius. The PC3WR was designed for installations in areas such as wash rooms, locker rooms and other areas where humidity is higher than normal. The dome is mounted through a 150mm fixing hole in the ceiling with a maximum ceiling thickness of 50mm, and fixed into place with the included suspension springs. The 1W and 3W taps can be accessed by choosing from two of the cores in the captive cable.

Input power: 3W, 1W, 100V line. Response: 180Hz to 20kHz. Output: 88dB SPL, 1W, 1metre. Finish: ABS resin off-white frame and case; stainless steel punched net. Operating temperature: -10 to +50 degrees Celsius. Mounting: 150mm diameter, ceiling thickness 50mm maximum. Dimensions: 180mm diameter, 10/110mm exposed/above mounting surface. Weight: 700g.


PC-3CL

The PC-3CL splash-proof, flush-mounted, ceiling speaker is completely sealed, has an IP64 weatherproof construction certification and an operating temperature of -20 degrees Celsius to +60 degrees Celsius, making it an option for wet or humid room installations such as bathrooms and wet saunas. A chemical resistant stainless-steel grill ensures best practice for clean rooms and hospital operation theatres. The dome is mounted through a 100mm fixing hole in the ceiling with a minimum thickness of 5mm and equivalent to plywood in density, and screwed into place using four stainless steel screws. The 1W and 3W taps can be accessed by choosing from two of the cores in the captive cable.

Input power: 3W, 1W, 70/100V line. Response: 150Hz to 20kHz. Output: 87dB SPL, 1W, 1metre. Finish: Alloy coated ABS resin panel; ABS resin enclosure; stainless steel (SUS304) punched net. Operating temperature: -20 to +60 degrees Celsius. Mounting: 100mm diameter, ceiling thickness 5mm minimum. Dimensions: 139mm diameter; 104.5mm depth, 10/94.5mm exposed/above mounting surface. Weight: 550g


PC-5CL

Designed for installation projects in medical or photographic clean rooms, the PC-5CL is a full-range 80mm speaker with sealed rear chamber and speaker membrane to prevent dust and chemical contamination. The dome is mounted through a 98mm fixing hole in the ceiling with a minimum thickness of 5mm and equivalent to plywood in density, and screwed into place using four stainless steel fixing screws. PC5CL will operate at 5W in 100V application, and 2.5W in 70V application and is connected by a captive cable.

Input power: 5W, 100V line; 2.5W, 70V line. Response: 150Hz to 20kHz. Output: 87dB SPL, 1W, 1metre. Finish: Alloy coated ABS resin panel; ABS resin off-white enclosure; stainless steel punched net; Stainless steel exposed fixing screws. Operating temperature: -20 to +55 degrees Celsius. Mounting: 98mm diameter, ceiling thickness 5mm minimum. Dimensions: 116mm diameter. 11/99mm exposed/above mounting surface. Weight: 620g.


PC-2369

Discontinued

TOA's PC-2369 thin-panelled ceiling loudspeaker houses a 160mm, double-cone, speaker component. With all-metal construction and with spring-clamp mechanism for easy ceiling mounting, it has been designed to fit into existing or new voice-alarm system installations. The user can change the 100V/70V line rated impedance by changing the tap position on the terminal block with push in connectors, which also allows for bridge wiring.

Speaker driver: 160mm double cone-type. Input power: 6/3/1.5/0.8W 100V line, 3/1.5/0.8/0.4W 70V line. Response: 45Hz to 20kHz. Output: 93dB SPL, 1W, 1metre. Finish: White steel plate (RAL9016) baffle; White (RAL9016) surface treated steel plate grille.. Mounting: 200mm diameter +/-3mm, 5 to 25mm ceiling thickness. Dimensions: 230mm diameter; 79mm depth. Weight: 760g.


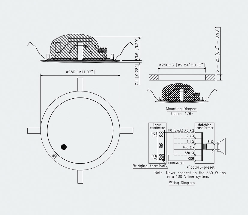
PC-2852

Much like the PC-2369, the PC-2852 ceiling speaker has an all-metal construction, with spring-clamp mechanism for easy ceiling mounting and has been designed to fit into existing or new voice alarm system installations. It houses a 200mm coaxial-cone speaker component, and the installer can change the 100V/70V line rated impedance by changing the tap position on the terminal block using push in connectors, which also allows for bridge wiring.

Speaker driver: 200mm coaxial cone-type. Input power: 15/10/5/3W 100V line, 15/7.5/5/2.5/1.5W 70V line. Response: 45Hz to 20kHz. Output: 96dB SPL, 1W, 1metre. Finish: White steel plate (RAL9016) baffle; White (RAL9016) surface treated steel plate grille. Mounting: 250mm diameter +/-3mm, 5 to 25mm ceiling thickness. Dimensions: 280mm diameter; 92mm depth. Weight: 1.6kg.


PC-2869

Discontinued

The PC-2869 is the bigger brother of the PC-2369, it offers a 200mm double-cone speaker and a greater frequency response at 40Hz to 20kHz.

Speaker driver: 200mm, double-cone. Input power: 6/3/1.5/0.8W 100V line, 3/1.5/0.8/0.4W 70V line. Response: 40Hz to 20kHz. Output: 94dB SPL, 1W, 1metre. Finish: White steel plate (RAL9016) baffle; White (RAL9016) surface treated steel plate grille. Mounting: 250mm diameter +/-3mm, 5 to 25mm ceiling thickness. Dimensions: 280mm diameter; 92mm depth. Weight: 1.4kg.